自動潤滑和手動潤滑區別
手動潤滑管理理念提倡的是五定原則,即:
定時、定點、定量、定人、定品牌。
自動潤滑提倡的是三定原則,即:
定時、定點、定量。

自動潤滑系統優點:
1、延長維保間隔時間,避免停機加油。
2、降低部件費用,提高工作效率。
3、減少潤滑用量,避免污染環保。
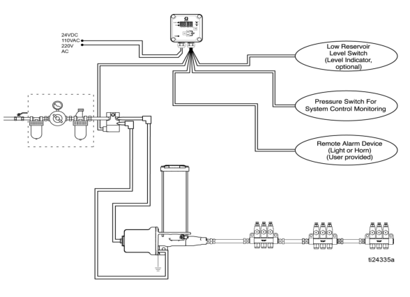
以下為自動潤滑系統的原理圖:

上一篇:福磬流體定量控制系統
下一篇:給導軌潤滑相關知識
